简介
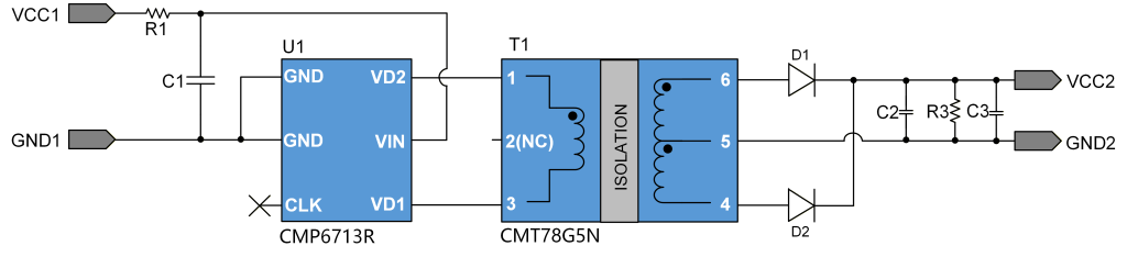
CMP6713R+CMT78G5N 是一款小型化的隔离电源方案。驱动器芯片和变压器配合必要的容阻和整流二极管,可以实现12V输入,5V输出2W的隔离非稳压电源。
方案特点
- 短路保护和自恢复功能
- 集成过流和过温检测保护功能
- 隔离电压2500VAC
方案编码
B1205D-2W-6713R-78G5N
购买样品
评估板

评估板原理图


资料下载
| 文件类型 | 文件名称 |
|---|---|
| 方案说明 | 12V输入,5V输出2W隔离电源方案 |
| BOM | B1205D-2W-6713R-78G5N BOM |
| PCB文件 | B1205D-2W-6713R-78G5N.Zip |
| 开源平台 | 在线开源硬件平台 |
声明:线易微电子使用开源EDA软件(KiCAD等)及免费EDA软件(立创EDA等)创建、编辑、和管理PCB项目,并导出为行业兼容格式。
