简介
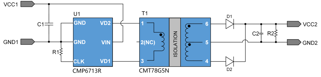
CMP6713R+CMT78G5N 是一款小型化的隔离电源方案。驱动器芯片和变压器配合必要的容阻和整流二极管,可以实现12V输入,5V输出2W的隔离非稳压电源。
方案特点
- 长期短路保护和自恢复功能
- 集成过流和过温检测和保护功能
- 隔离电压2500VAC
方案编码
B1205D-2W-6713R-78G5N
购买样品
评估板

评估板原理图
资料下载
| 文件类型 | 文件名称 |
|---|---|
| 方案说明 | 12V输入,5V输出2W隔离电源方案 |
CMP6713R+CMT78G5N 是一款小型化的隔离电源方案。驱动器芯片和变压器配合必要的容阻和整流二极管,可以实现12V输入,5V输出2W的隔离非稳压电源。
B1205D-2W-6713R-78G5N

评估板原理图
| 文件类型 | 文件名称 |
|---|---|
| 方案说明 | 12V输入,5V输出2W隔离电源方案 |