CET3088E隔离高速半双工 RS485 收发器

产品简介

CET3088E是隔离半双工RS-485/RS-422收发器, 属于线易微电子的总线接口系列产品。内部集成磁隔数字隔离器和高性能 RS-485 收发器,磁隔数字隔离器采用芯片级微型变压器以及线易微专有的 AdaptivePulse®调制解调技术和高品质的隔离介质,满足 UL-1577 标准的 5.7kVrms 耐压等级要求,同时提供高电磁抗干扰度和低辐射。CET3088E具有逻辑侧断电保护功能和总线侧开路、短路和空闲总线失效保护功能,当接收器输入为开路或短路时,失效保护电路确保接收器输出高电平。接收器输入阻抗具有1/8单位负载,可挂载 256个收发器。

样品申请

点击申请样品

主要参数

参数数值
供电电压(V)3.0-5.5
数据率(Mbps)16
输入阻抗(UL)1/8
总线引脚ESD等级(HBM)(kV)±8
IEC 61000-4-2
总线引脚ESD等级(接触放电)(kV)
±8
IEC 61000-4-2
总线引脚ESD等级(空气放电)(kV)
±15

封装外形

SOP-16L(300mil)

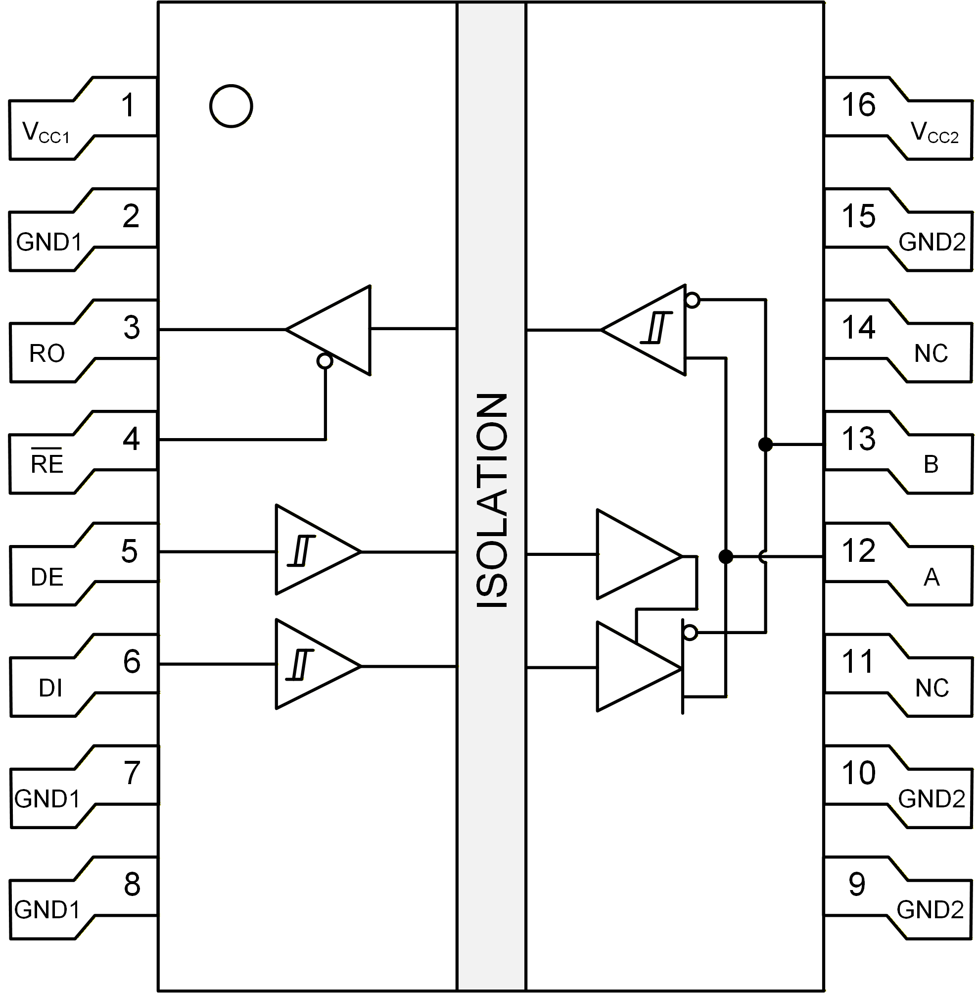
原理图

CET3088E (not in scale)

技术文档

文档类型文档名称
数据手册 CET3088E 16Mbps数据率 5.7kVrms隔离半双工RS485收发器