简介
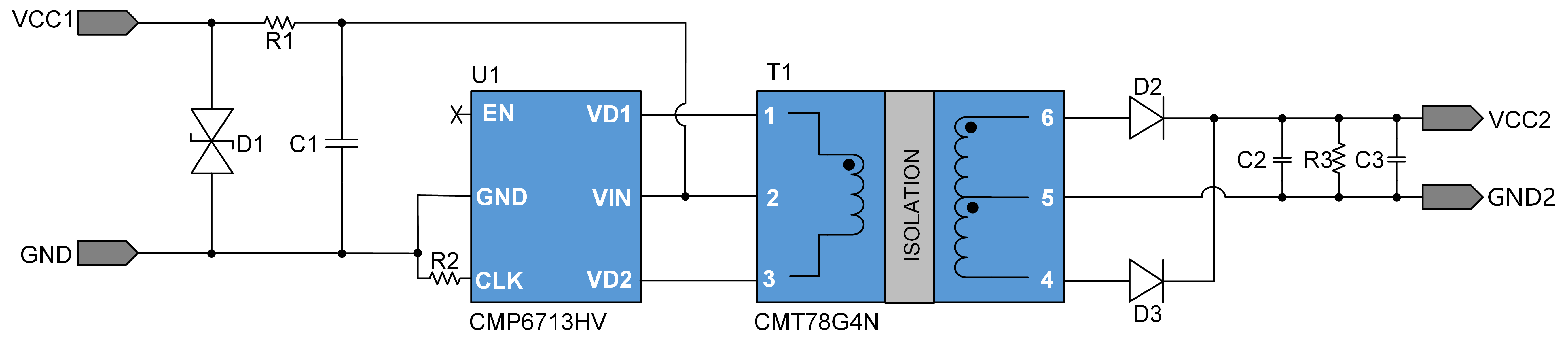
CMP6713HV+ CMT78G4N 是一款小型化的隔离电源方案。驱动器芯片和变压器配合必要的容阻和整流二极管,可以实现12V输入, 3.3V输出2W功率的隔离非稳压电源。
方案特点
- 短路保护和自恢复功能
- 集成过流和过温检测保护功能
- 隔离电压2500VAC
方案编码
B1203D-2W-6713HV-78G4N
样品申请
评估板

产品性能
| 性能指标 | 测试条件 | 最小值 | 典型值 | 最大值 | 单位 |
|---|---|---|---|---|---|
| 输入电流(满载) | VCC1=12V, IO=606mA | 192 | mA | ||
| 输入电流(空载) | VCC1=12V | 4 | mA | ||
| 转换效率 | VCC1=12V, IO=606mA | 81.5 | % | ||
| 纹波&噪声 | VCC1=12V, IO=606mA | 45.3 | mV | ||
| 工作温度 | -40 | 85 | ℃ |
资料下载
| 文件类型 | 文件名称 |
|---|---|
| 方案说明 | 12V输入,3.3V输出2W电源方案 |
| BOM | B1203D-2W-6713HV-78G4N BOM |
| PCB文件 | B1203D-2W-6713HV-78G4N.zip |
| 开源平台 | 在线开源硬件平台 |
声明:线易微电子使用开源EDA软件(KiCAD等)及免费EDA软件(立创EDA等)创建、编辑、和管理PCB项目,并导出为行业兼容格式。