简介
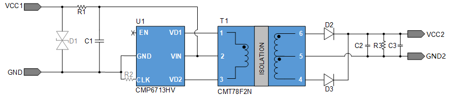
CMP6713HV+ CMT78F2N 是一款小型化的隔离电源方案。驱动器芯片和变压器配合必要的容阻和整流二极管,可以实现15V输入, 12V输出3W功率的隔离非稳压电源。
方案特点
- 短路保护和自恢复功能
- 集成过流和过温检测保护功能
- 隔离电压2500VAC
方案编码
B1512D-3W-6713HV-78F2N
样品申请
评估板

产品性能
| 性能指标 | 测试条件 | 最小值 | 典型值 | 最大值 | 单位 |
|---|---|---|---|---|---|
| 输入电流(满载) | VCC1=15V, IO=250mA | 209 | mA | ||
| 输入电流(空载) | VCC1=15V | 4 | mA | ||
| 转换效率 | VCC1=15V, IO=250mA | 91.8 | % | ||
| 纹波&噪声 | VCC1=15V, IO=250mA | 64.4 | mV | ||
| 工作温度 | -40 | 85 | ℃ |
资料下载
| 文件类型 | 文件名称 |
|---|---|
| 方案说明 | 15V输入,12V输出3W电源方案 |
| BOM | B1512D-3W-6713HV-78F2N BOM |
| PCB文件 | B1512D-3W-6713HV-78F2N.zip |
| 开源平台 | 在线开源硬件平台 |
声明:线易微电子使用开源EDA软件(KiCAD等)及免费EDA软件(立创EDA等)创建、编辑、和管理PCB项目,并导出为行业兼容格式。