简介
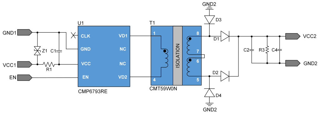
CMP6793RE+ CMT59W0N 是一款小型化的隔离电源方案。芯片和变压器配合必要的容阻和整流二极管,可以实现 24V 输入,24V 输出 4W 功率的隔离非稳压电源。
方案特点
- 短路保护和自恢复功能
- 集成过流、过温检测保护功能
- 隔离电压 3000VAC
方案编码
B2424D-4W-6793RE-59W0N
样品申请
评估板


评估板正面

评估板背面
产品性能
| 性能指标 | 测试条件 | 最小值 | 典型值 | 最大值 | 单位 |
|---|---|---|---|---|---|
| 输入电流(满载) | VCC1=24V, IO=170mA | 176 | mA | ||
| 输入电流(空载) | VCC1=24V | 6 | mA | ||
| 转换效率 | VCC1=24V, IO=170mA | 94 | % | ||
| 纹波&噪声 | VCC1=24V, IO=170mA | 100 | mV | ||
| 工作温度 | -40 | 85 | ℃ |
资料下载
| 文件类型 | 文件名称 |
|---|---|
| 方案说明 | 24V宽压输入,24V输出4W隔离电源方案 |
| BOM | B2424D-4W-6793RE-59W0N BOM |
| PCB文件 | B2424D-4W-6793RE-59W0N.zip |
| 开源平台 | 在线开源硬件平台 |
声明:线易微电子使用开源EDA软件(KiCAD等)及免费EDA软件(立创EDA等)创建、编辑、和管理PCB项目,并导出为行业兼容格式。