简介
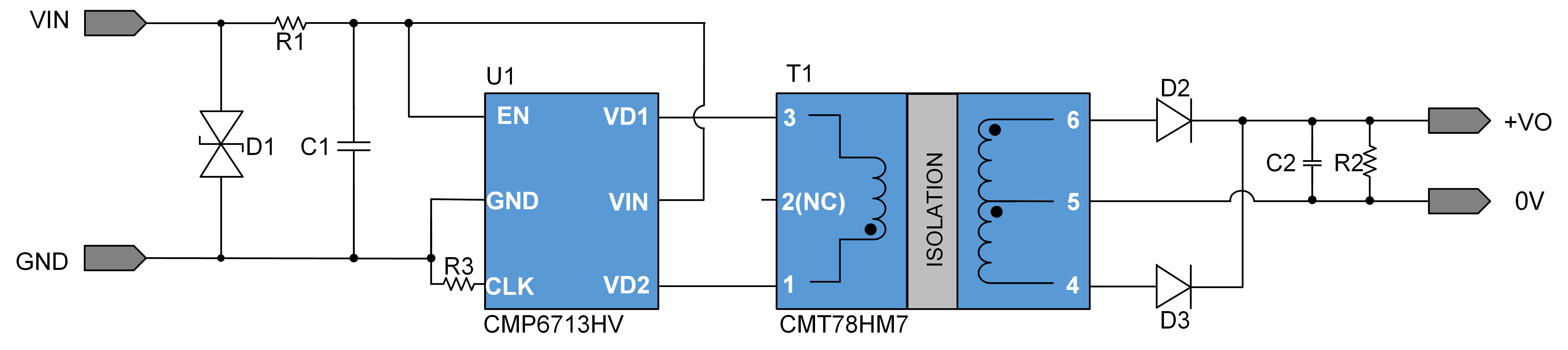
CMP6713HV+ CMT78HM7 是一款小型化的隔离电源方案。驱动器芯片和变压器配合必要的容阻和整流二极管,可以实现24V输入, 3.3V输出2W功率的隔离非稳压电源。该方案可以实现非常紧凑的方案,PCB 板占用面积小,适合隔离 485、隔离 CAN、和隔离 ADC 供电,特别是空间限制大的场合。同时兼容隔离耐压 1500VDC 的 B2403S-2W-6713HV-78HM7 方案。
方案特点
- 短路保护和自恢复功能
- 集成过流和过温检测保护功能
- 隔离电压3000VDC
方案编码
F2403S-2W-6713HV-78HM7
样品申请
评估板

产品性能
| 性能指标 | 测试条件 | 最小值 | 典型值 | 最大值 | 单位 |
|---|---|---|---|---|---|
| 输入电流(满载) | VIN=24V, IO=606mA | 97 | mA | ||
| 输入电流(空载) | VIN=24V | 3 | mA | ||
| 转换效率 | VIN=24V, IO=606mA | 92.2 | % | ||
| 纹波&噪声 | VIN=24V, IO=606mA | 49.6 | mV | ||
| 工作温度 | -40 | 85 | ℃ |
资料下载
| 文件类型 | 文件名称 |
|---|---|
| 方案说明 | 24V输入,3.3V输出2W电源方案 |
| BOM | F2403S-2W-6713HV-78HM7 BOM |
| PCB文件 | F2403S-2W-6713HV-78HM7.zip |
| 开源平台 | 在线开源硬件平台 |
声明:线易微电子使用开源EDA软件(KiCAD等)及免费EDA软件(立创EDA等)创建、编辑、和管理PCB项目,并导出为行业兼容格式。